- Home
-
Oldtimer boeken
-
Oldtimer tractor boeken
- Allgaier
- Allis Chalmers
- Amerikaanse Tractoren
- Claas
- Cockshutt
- Daimler Benz
- David Brown
- DDR Traktoren
- Deutz
- Divers
- Eicher
- Engelse traktoren
- Fahr
- Farmall
- Fendt
- Ferguson/MF
- Fiat
- Ford
- Güldner
- Hanomag
- Hela
- Holder
- Hürliman
- IHC
- Italiaanse traktoren
- John Deere
- Kramer
- Landini
- Lanz
- Lindner
- MAN
- Marshall
- Massey-Harris
- MB-trac
- Nederlandstalig
- Nordtrak Stier
- Normag
- Nuffield
- Oliver
- Oostenrijkse traktoren
- Porsche Diesel
- Primus
- Renault
- Ritscher
- Same
- Schlüter
- Someca
- Steyr
- Tijdschriften
- Tuinbouwtraktoren
- Unimog
- Vendeuvre
- Versatile
- Vierzon
- Zetor
- Zwitserse traktoren
- Lamborghini
- Diverse oldtimer boeken
-
2e kans
- Speelgoed
-
Auto's
- Alfa Romeo
- Alpine
- Aston Martin
- Audi
- Chrysler
- Alvis
- Amerikaans
- BMW
- Buick
- Citroën
- Cobra
- Divers
- DKW
- Ferrari
- Fiat
- Ford
- Goliath-Borgward-Lloyd
- Jaguar
- Landrover
- Mercedes Benz
- Mini
- NSU
- Opel
- Peugeot
- Porsche
- Renault
- Saab en Volvo
- Toyota
- Trabant
- Volkswagen
- Mitsubishi
- Simca
- Morgan
- Jensen
- Tatra
- Corvette
- Woodies
- Dodge
- Kleinwagen
- Lotus
- Mustang
- Triumph
- Wartburg
- DDR
- Daf
- Chevrolet
- Pontiac
- Maserati
- Miniaturen
- Mazda
- Lamborghini
- Suzuki
- Jeep
- Lada
- Italiaans Overig
- Ghia
- Subaru
- Austin
- Zagato
- Rover
- TVR
- Rolls Royce
- Bentley
- MG
- Reliant
- Lancia
- Bugatti
-
Brom en motoren
- BMW
- BSA
- DKW
- Yamaha
- Harley Davidson
- Jawa
- Kreidler
- Maico
- Norton
- NSU
- Puch
- Royal Enfield
- Adler
- Triumph
- Zündapp
- Vespa
- Lambretta
- Horex
- Moto Guzzi
- Oost Europees
- Diverse
- Greeves
- Moped
- Solex
- Honda
- Ducati
- Mobylette
- Motobécane
- AJS and Matchless
- Francis-Barnett
- KTM
- Heinkel
- Simson Schwalbe & Co
- Hercules
- Victoria
- Kawasaki
- MZ
- Indian
- Suzuki
- Augusta
- Laverda
- Moto Morini
- Piaggio
- Peugeot
- Vrachtwagens
- Uitverkoop
- Collectors Items
-
Oldtimer tractor boeken
- Over ons
- Contact
Levering: 1-3 werkdagen
Producten uit eigen voorraad
Grootste assortiment van Nederland
Online Support - 0314 - 651 721
Kwaliteit - De beste boeken
Levering: 1-3 werkdagen
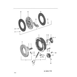
P36 - Werkstatt Ersatzteilliste Porsche-Diesel Super 309
Referentie: P36 1000223
35,00 incl.
32,11 excl.
21,0 x 14,9 cm, Paperback, Duits, schrijver onbekend.
Levering: 1-3 werkdagen
Producten uit eigen voorraad
Grootste assortiment van Nederland
Online Support - 0314 - 651 721
Kwaliteit - De beste boeken
Levering: 1-3 werkdagen
Werkstatt Ersatzteilliste
Porsche-Diesel Super 309 Technische gegevens over reserveonderdelen voor de Porsche-Diesel tractoren type Super 309. Porsche-Diesel
Het Wispa team op tournee:
Wij staan met onze stand op een aantal ruilbeurzen in Nederland, België, Denemarken, Frankrijk en Duitsland met boeken en onderdelen.
21,0 x 14,9 cm, Paperback, Duits, schrijver onbekend.
© 2026 | Algemene voorwaarden | Privacy verklaring | Ontwikkeling & Design door DIMA.